Su función es regular el flujo de agua con base a la demanda. Su apertura y cierre es controlada por medio de una señal sobre un actuador electrónico.
Tres vías
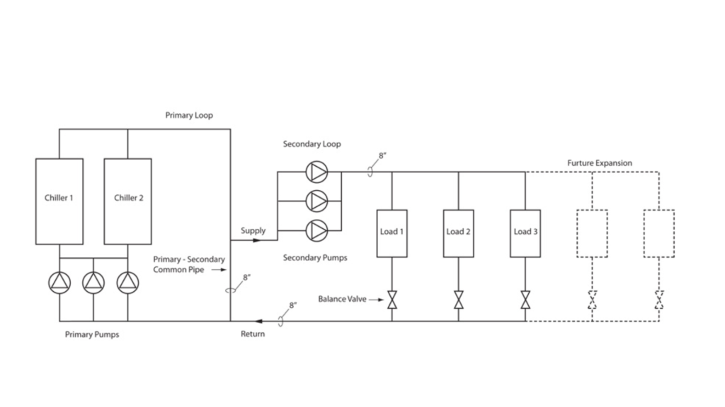
Las válvulas de tres vías se utilizan en su mayoría en sistemas de bombeo donde la velocidad, carga y flujo son constantes en todo momento. El agua tiene que redirigirse en una tubería de bypass para mantener flujo constante en el circuito de agua.
La mayor desventaja de utilizar este tipo de válvulas es que no hay un ahorro de energía ya que no permiten variación del flujo del sistema
En los sistemas de velocidad constante se bombea el mismo volumen de agua en todo momento, al no existir demanda en las unidades terminales es cuando el agua se recircula al retorno mediante al bypass anteriormente mencionado.
Finalmente, en todo momento está el bombeo en funcionamiento y circulando agua de manera innecesaria cuando las unidades terminales no tengan demanda lo que se traduce en energía desaprovechada.
Dos vías
Las válvulas de dos vías están configuradas con un solo puerto de entrada y otro de salida.
Se utilizan en su mayoría en sistemas de bombeo de flujo variable ya que no se requiere redistribuir el agua por medio de un Bypass en cada unidad terminal cuando no hay demanda.
En este escenario, las válvulas pueden cerrar completamente lo que restringe el flujo y provoca presurización en la línea principal de suministro. Normalmente, se utiliza un sensor de presión diferencial para medir el aumento de presión y poder así reducir la velocidad en las bombas bajando la presión y dando como resultado un ahorro de energía


